您当前位置:产品中心 >> 进口气动球阀 >> 进口气动对夹式V型球阀
进口气动对夹式V型球阀
产品概述
进口气动对夹式V型球阀球芯带有V型结构,对阀座具有剪切作用。广泛适用于造纸、化工、冶金等工业企业中含有纤维或微小固体颗粒的悬浊液介质中对有关工艺参数的控制,特别适用于制浆、造纸生产过程中的纸浆、白水、黑液、白液等悬浮颗粒的流体及浓、浊浆状流体介质的自动调节和切断。
选型指导
阀体材质:WCB、304不锈钢系列、316不锈钢系列
公称通径:DN25-250mm
压力范围:国标(PN1.6、4.0、6.4Mpa)、美标(Class150、300)
执行机构:AT型(双作用、单作用)、AW型(双作用、单作用)
附件选择:电磁阀,空气过滤减压阀,手轮机构,限位开关,阀位传送器,阀门定位器,保位阀,其它。
产品详情

进口气动对夹式V型球阀是一种直角回转的高级控制阀,其主要作用作调节阀使用,也可作开关阀使用。V型阀芯设计成带有特殊形状的V型缺口,所以具有很大的剪切力及自洁功能,尤其适用于含纤维或有微小固体颗粒状的介质的控制


产品特点


1、具有弹性负荷压力辅助密封座保证阀座与球芯自努至终的紧密接触。

2、具有整体式的阀体结构,不存在产生潜在泄漏的可能。

3、具有等百分比特性,有很宽的控制范围和特别稳定的控制过程,可广泛用应于多种工艺流程中。

4、阀杆和球芯采用渐开线花键连接,当齿廓受载时,齿上有径向力能起自动定心作用,且各齿受力均匀使之强度高、寿命长。

 

工作原理:

 

进口气动对夹式V型球阀具有特殊形状的固定式V型切口球体和可调金属阀座结构,当阀关闭时,V型切口与阀座形成楔形剪切作用,可防止球体和阀座之间污物产生的卡死现象,具有自清结功能,特别适用于含纤维料浆,污水和粘性颗粒的介质,配以阀门可实现连续调节,并具流阻小,调节范围广,是一种用途广泛高质量的调节阀。


技术参数 


口径范围

DN25DN600 (1"24")

压力范围

PN1.66.4MPa

温度范围

-40℃~+425℃(可选)

材质可选

碳钢、不锈钢、双相钢

密封材料

PTFEPPL、金属+STL

连接方式

法兰、对夹

驱动方式

气动执行器

控制方式

开关型ON/OFF、调节型4-20mA1-5V

可选附件

电磁阀、限位开关、减压阀、定位器、手轮机构、保位阀、快排阀。(注明是否防爆)

  

主要零件材料

  


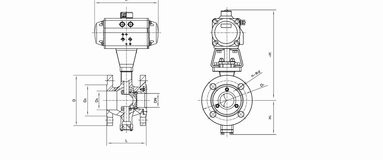
进口气动对夹式调节球阀结构尺寸

   

公称通径

DN

L

L1

H

D

D1

25

102

159

260

87

115

38

32

62

159

267

87

78

42

40

62

211

292

87

85

50

65

90

248

332

97

100

60

80

100

269

359

112

130

94

100

115

345

394

122

158

110

125

129

409

410

142

180

135

150

160

438

461

165

216

165

200

200

550

509

195

268

210

250

240

633

572

237

325

260





020-32399500
qrCode