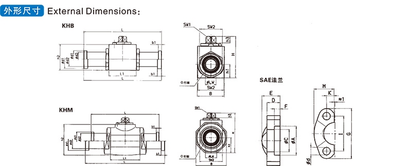
进口高压快装球阀是一种专为高压流体控制系统设计的阀门,其特点在于采用快速安装结构(如卡箍、螺纹或焊接接口),无需法兰连接即可实现管路集成,适用于需频繁拆装的场景。核心功能包括高压流体截断(耐压范围10-69MPa)及流量调节,通过球体90°旋转实现启闭控制,密封等级满
产品特点
阀体壁厚经有限元分析优化,爆破压力≥1.5倍公称压力(最高达4,137 bar);
金属硬密封结构(碳化钨喷涂)耐温550℃,软密封(PTFE/PEEK)适应-196℃~200℃工况。
快速安装设计
卡箍或螺纹接口缩短安装时间70%,无需法兰对中,适配液压集成块紧凑布局;
八角手柄设计支持多角度操作,扭矩低于同类阀门50%。
智能控制兼容性
可选电动/气动执行器,响应时间≤1秒,支持4-20mA信号及Modbus通讯。
	 
	